服务热线

| ltems | Standard | |
| 
				Electrical performance  | 
			Insulation resistance | 100MΩ min. | 
| Dielectric withstanding | 500V AC min. | |
| Contact resistance | 50mΩ max. | |
| Durability | Durability | 5,000 Cycles | 
| 
				Mechanical performance  | 
			Connector mating forces | 3~30N | 
| Connector unmating foces | 3~30N | |
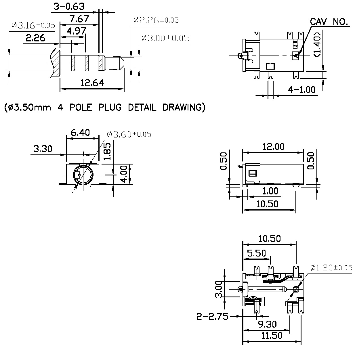
| Proudcts | Dimensions | Circuit Diagram | 
| Pad Layout | ||
				![]()  | 
			
				![]()  | 
			
				![]()  |