欢迎访问东莞市铭标电子科技有限公司官方网站!

铭标科技

Mingbiao Electronic

轻触按键开关源头厂家

国家高新技术企业,研发、生产制造一站式服务!

朱小姐:153-2286-1894
武先生:189-2827-6086

掀盖式  MICRO SIM卡座 8*1 H=1.5

掀盖式 MICRO SIM卡座 8*1 H=1.5

品牌:铭标科技
型号:C-S308150A2-1
规格:14.9*16.0*1.5mm
包装:
* 声明:有关于产品的规格、参数、寿命、工作温度、手感、防水等级等数据,只代表铭标电子内部的测试结果,如需详细测试方式,请联系铭标业务人员。
详细参数

SPECIFICATIONS:

NOTES:
1)MATERIAL:
HOUSING:LCP S475 UL 94V-0
CONTACT:C5210-EH T=0.15mm
SHELL
SUS201-H T=0.20mm
2)FINISH
CONTACT:GOLD FLASH PLATED ON CONTACT AREA 1u‘’ Min
GOLD FLASH PLATING ON SOLDER TAILS 1u“” Min,
WITH ENTIRE CONTACT UNDERPLATED NICKEL 50u"Min
SHELL:NICKEL UNDERPLATED OVERALL 50u" Min,
3)MECHANICAL CHARACTERISTICS
CONTACT RETENTION:50gf/pin Min
MATING CYCLE:1500 CYCLES
4)ELECTRICAL CHARACTERISTICS
RATING CURRENT:1A
RATING VOLTAGE:12V
CONTACT RESISTANCE:50 MILLOHMS OHMS MAX 
INSULATION RESISTANCE:a,UNMATED:1000M OHMS MIN
b,MATED 100M OHMS MIN
DIELECTRIC WITHSTANDING VOLTAGE:
500V AC/1MINUTE
OPERATING TEPERATURE:-25°C--+70°C
STORAGE TEMPERATURE:-10°C--+40°C
 
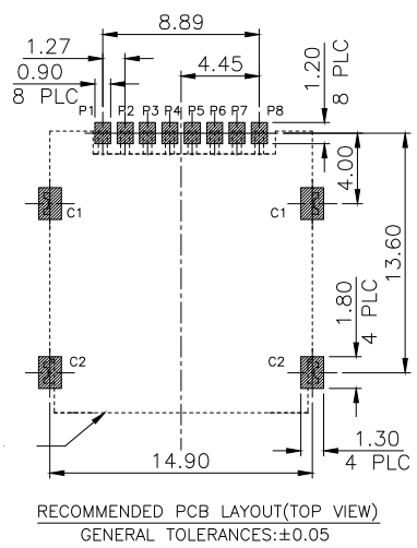
尺寸图
Proudcts Dimensions Circuit  Diagram
Pad  Layout

 

扫码加朱小姐微信

扫码加武先生微信