服务热线

| ltems | Standard | |
| Operating temperature range | -40℃ to +90℃ | |
|
Electrical performance |
Rating | 50mA.,16V DC |
| Insulation resistance | 100MΩ min.100V DC | |
| Dielectric strength | 250V AC for 1 min. | |
| Contact resistance | 100mΩ max. | |
| Durability | Lifetime | C:500,000 Cycles |
|
Mechanical performance |
Operating force | 400±100gf |
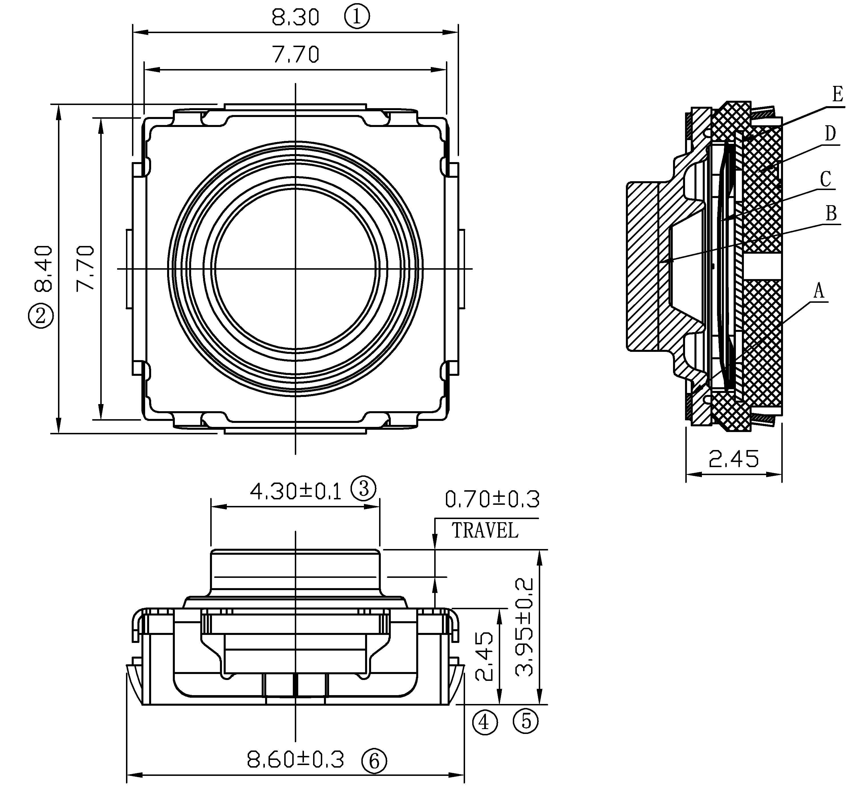
| Travel | 0.70±0.3mm | |
| Proudcts | Dimensions | Circuit Diagram |
| Pad Layout | ||
![]() |
![]() |
![]() |