欢迎访问东莞市铭标电子科技有限公司官方网站!

铭标科技

Mingbiao Electronic

轻触按键开关源头厂家

国家高新技术企业,研发、生产制造一站式服务!

朱小姐:153-2286-1894
武先生:189-2827-6086

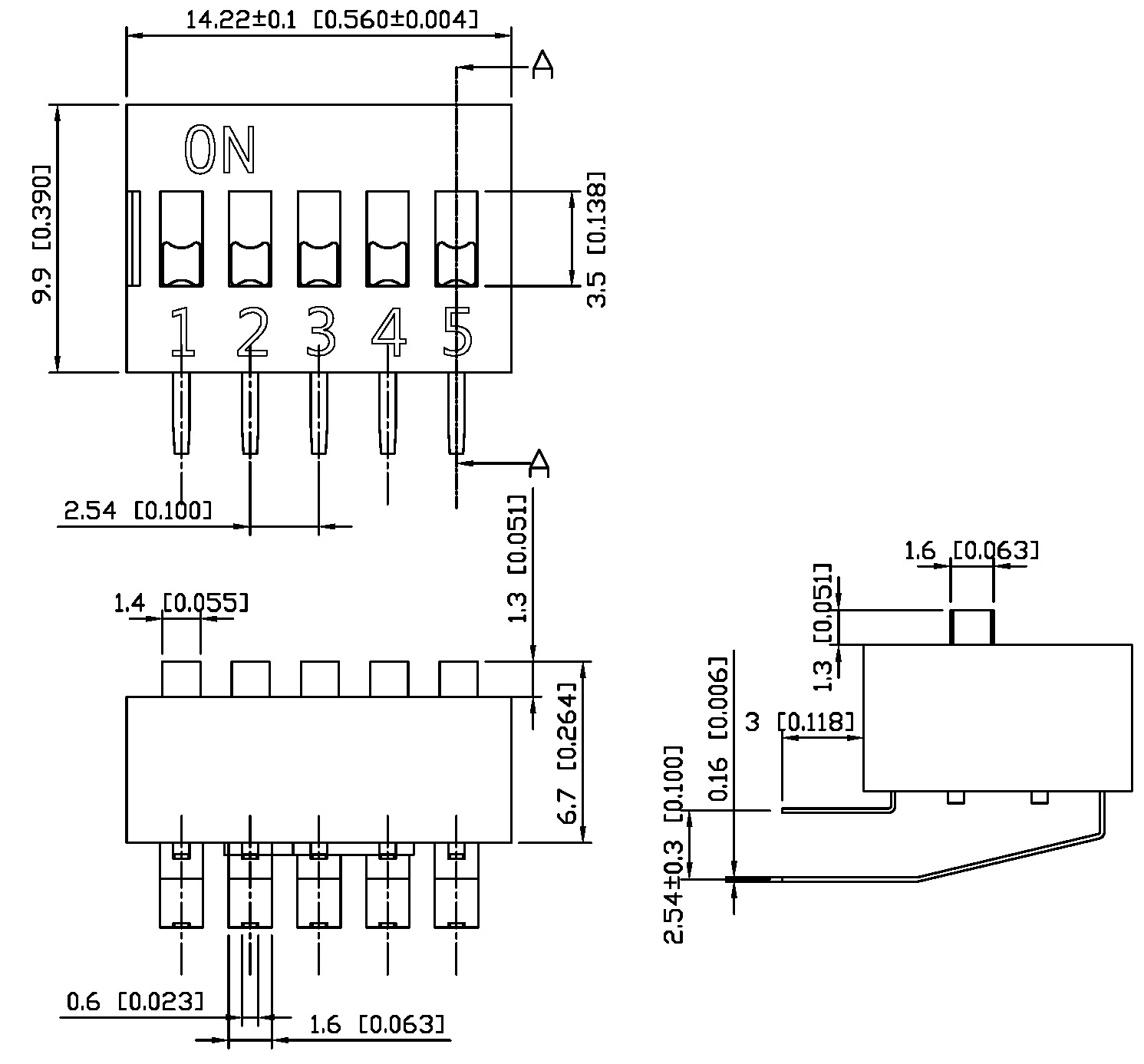
DVJ01-DA-05弯角式DIP开关

DVJ01-DA-05弯角式DIP开关

品牌:铭标科技
型号:DVJ01-DA-05
规格:弯角式DIP开关 05P
包装:34/管;一箱32管
5pin;弯角式;开关常开;脚距2.54pitch;行程2mm;寿命3000次;最大操作力:200gf。
* 声明:有关于产品的规格、参数、寿命、工作温度、手感、防水等级等数据,只代表铭标电子内部的测试结果,如需详细测试方式,请联系铭标业务人员。
详细参数
ltems Standard
Operating temperature range -20℃ to +70℃
Electrical
performance
Rating 25mA..24V DC Max
Insulation resistance 100MΩ min.500V DC
Dielectric strength 500V AC for 1 min.
Contact resistance 50mΩ Max.
Durability Lifetime 3,000 Cycles
Mechanical
performance
Operating force 200gf MAX
Travel 2mm

尺寸图
Proudcts Dimensions Circuit  Diagram
Pad  Layout
DVJ01-DA-05产品图
DVJ01-DA-05尺寸图 DVJ01-DA-05焊盘图
 

扫码加朱小姐微信

扫码加武先生微信