服务热线

| ltems | Standard | |
| Operating temperature range | -20℃ to +70℃ | |
|
Electrical performance |
Rating | 25mA..24V DC Max |
| Insulation resistance | 100MΩ min.500V DC | |
| Dielectric strength | 500V AC for 1 min. | |
| Contact resistance | 50mΩ Max. | |
| Durability | Lifetime | 3,000 Cycles |
|
Mechanical performance |
Operating force | 200gf MAX |
| Travel | 2mm | |
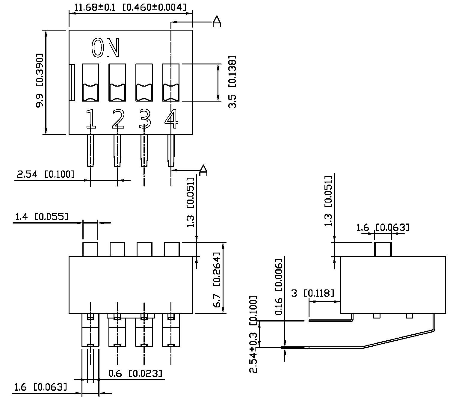
| Proudcts | Dimensions | Circuit Diagram |
| Pad Layout | ||
![]() |
![]() |
![]() |